Kehendak Perundangan
Peraturan 11(1), Peraturan-Peraturan Elektrik 1994 - mensyaratkan semua pendawaian, tambahan pendawaian atau pendawaian semula yang hendak dijalankan oleh Kontraktor Elektrik atau Unit Pendawaian Elektrik perlu mendapat kelulusan bertulis dari pemegang lesen atau pihak berkuasa bekalan.
Merancang Kerja-Kerja Pendawaian
Sebelum kerja-kerja pendawaian dibuat, pendawai/kontraktor hendaklah merancang dan mengenalpasti kerja-kerja yang hendak dilakukan supaya hasil kerja kemas, teratur dan selamat untuk digunakan. Pendawai/kontraktor perlulah:-
i. membuat lawatan tapak;
ii. mengenal pasti keperluan beban pengguna;
iii. mengira permintaan beban maksimum; dan
iv. mengemukakan pelan, lukisan dan spesifikasi.
Carta Alir Merancang Pemasangan Pendawaian Bangunan Kediaman
Bekalan Fasa Tunggal Dan Fasa Tiga.
Carta alir merancang pemasangan pendawaian bangunan adalah seperti di rajah 3.1.
Lawatan Tapak
Lawatan tapak perlu dilakukan bertujuan untuk menentukan:-
i. kelengkapan elektrik yang sesuai digunakan;
ii. permintaan beban maksimum;
iii. bekalan masuk, fasa tunggal atau fasa tiga;
iv. jenis pendawaian; dan
v. susunatur kelengkapan.
Mengenalpasti Keperluan Beban Pengguna
Melalui pelan lantai bangunan keperluan pemasangan seperti cadangan beban, penempatan kelengkapan elektrik dan rekabentuk pelan pepasangan boleh ditentukan.
Mengira Permintaan Beban Maksimum
Anggaran permintaan beban maksimum adalah untuk menentukan spesifikasi kelengkapan pendawaian seperti kabel, aksesori dan seterusnya menyediakan pelan pepasangan elektrik. Mengikut MS IEC 60364 Part 1 klausa 311, pengiraan permintaan maksimum bagi setiap litar bertujuan supaya rekabentuk pepasangan yang ekonomi, berdaya harap dan dalam had voltan susut yang dibenarkan. Faktor Kepelbagaian boleh diambil kira. Pengiraan kesemua permintaan arus maksimum setiap litar perlu disediakan dengan lengkap. Butiran ini dapat menunjukkan keperluan arus bagi setiap fasa dalam ampiar dan juga membantu dalam menentukan saiz kabel. Rujuk Jadual Ketiga (Jadual A dan Jadual B), Peraturan 11(2), Peraturan-Peraturan Elektrik 1994 untuk menghitung permintaan arus
Mengemukakan Pelan, Lukisan Dan Spesifikasi
Peraturan 65, Peraturan-Peraturan Elektrik 1994 menyatakan kelayakan Pendawai mengemukakan pelan adalah seperti berikut:-
i. Pendawai dengan Sekatan Fasa Tunggal - Voltan rendah fasa tunggal sehingga 60 ampiar.
ii. Pendawai dengan Sekatan Fasa Tiga - Voltan rendah sehingga 60 ampiar.
Ciri-Ciri Pendawaian Elektrik
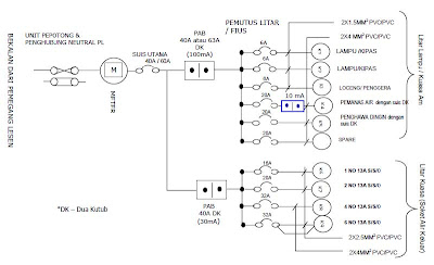
Pendawaian elektrik adalah terdiri dari kelengkapan elektrik seperti kabel, papan suis, suis utama, pemutus litar kenit (MCB) atau fius, pemutus litar arus baki (PAB/RCD), mata lampu, mata kuasa, penangkap kilat dan lainlain lekapan elektrik. Pendawaian elektrik pengguna fasa tunggal Contoh 1 seperti Rajah 3.2
Pendawaian elektrik pengguna fasa tunggal Contoh 2 seperti Rajah
Pendawaian elektrik pengguna fasa tunggal Contoh 3 seperti Rajah
Pendawaian elektrik pengguna fasa tiga Contoh 1. Seperti Rajah
Pendawaian elektrik pengguna fasa tiga Contoh 2. Seperti Rajah
Litar Akhir Bagi Soket Alir Keluar 13A
Jumlah litar akhir yang perlu diagihkan dan saiz konduktor yang digunakan serta luas lantai maksimum yang dibenarkan boleh ditentukan dengan berpandukan jadual di bawah.
Peraturan 11(1), Peraturan-Peraturan Elektrik 1994 - mensyaratkan semua pendawaian, tambahan pendawaian atau pendawaian semula yang hendak dijalankan oleh Kontraktor Elektrik atau Unit Pendawaian Elektrik perlu mendapat kelulusan bertulis dari pemegang lesen atau pihak berkuasa bekalan.
Merancang Kerja-Kerja Pendawaian
Sebelum kerja-kerja pendawaian dibuat, pendawai/kontraktor hendaklah merancang dan mengenalpasti kerja-kerja yang hendak dilakukan supaya hasil kerja kemas, teratur dan selamat untuk digunakan. Pendawai/kontraktor perlulah:-
i. membuat lawatan tapak;
ii. mengenal pasti keperluan beban pengguna;
iii. mengira permintaan beban maksimum; dan
iv. mengemukakan pelan, lukisan dan spesifikasi.
Carta Alir Merancang Pemasangan Pendawaian Bangunan Kediaman
Bekalan Fasa Tunggal Dan Fasa Tiga.
Untuk info pendawaian ,baca juga Nota Asas Elektrik Note: Untuk anda yang mahukan review produk elektrik atau perkhidmatan pendawaian dan pemasangan penghawa dingin anda boleh terus hubungi kami melalui pautan ini : - Hubungi saya Atau terus sahaja Email di : onlajer@gmail.comAnda juga boleh mencari kami di Facebook : - Panduan produk elektrik
Carta alir merancang pemasangan pendawaian bangunan adalah seperti di rajah 3.1.
Lawatan Tapak
Lawatan tapak perlu dilakukan bertujuan untuk menentukan:-
i. kelengkapan elektrik yang sesuai digunakan;
ii. permintaan beban maksimum;
iii. bekalan masuk, fasa tunggal atau fasa tiga;
iv. jenis pendawaian; dan
v. susunatur kelengkapan.
Mengenalpasti Keperluan Beban Pengguna
Melalui pelan lantai bangunan keperluan pemasangan seperti cadangan beban, penempatan kelengkapan elektrik dan rekabentuk pelan pepasangan boleh ditentukan.
Mengira Permintaan Beban Maksimum
Anggaran permintaan beban maksimum adalah untuk menentukan spesifikasi kelengkapan pendawaian seperti kabel, aksesori dan seterusnya menyediakan pelan pepasangan elektrik. Mengikut MS IEC 60364 Part 1 klausa 311, pengiraan permintaan maksimum bagi setiap litar bertujuan supaya rekabentuk pepasangan yang ekonomi, berdaya harap dan dalam had voltan susut yang dibenarkan. Faktor Kepelbagaian boleh diambil kira. Pengiraan kesemua permintaan arus maksimum setiap litar perlu disediakan dengan lengkap. Butiran ini dapat menunjukkan keperluan arus bagi setiap fasa dalam ampiar dan juga membantu dalam menentukan saiz kabel. Rujuk Jadual Ketiga (Jadual A dan Jadual B), Peraturan 11(2), Peraturan-Peraturan Elektrik 1994 untuk menghitung permintaan arus
Mengemukakan Pelan, Lukisan Dan Spesifikasi
Peraturan 65, Peraturan-Peraturan Elektrik 1994 menyatakan kelayakan Pendawai mengemukakan pelan adalah seperti berikut:-
i. Pendawai dengan Sekatan Fasa Tunggal - Voltan rendah fasa tunggal sehingga 60 ampiar.
ii. Pendawai dengan Sekatan Fasa Tiga - Voltan rendah sehingga 60 ampiar.
Ciri-Ciri Pendawaian Elektrik
Pendawaian elektrik adalah terdiri dari kelengkapan elektrik seperti kabel, papan suis, suis utama, pemutus litar kenit (MCB) atau fius, pemutus litar arus baki (PAB/RCD), mata lampu, mata kuasa, penangkap kilat dan lainlain lekapan elektrik. Pendawaian elektrik pengguna fasa tunggal Contoh 1 seperti Rajah 3.2
Pendawaian elektrik pengguna fasa tunggal Contoh 2 seperti Rajah
Pendawaian elektrik pengguna fasa tunggal Contoh 3 seperti Rajah
Contoh-contoh Litar Skematik Pendawaian Lampu
Contoh-contoh Litar Skematik Pendawaian Soket Alir Keluar
Jumlah litar akhir yang perlu diagihkan dan saiz konduktor yang digunakan serta luas lantai maksimum yang dibenarkan boleh ditentukan dengan berpandukan jadual di bawah.









aku sebenarnya tak pandai, hanya dia je yang tahu
hehe